бу запчасти в Грузии

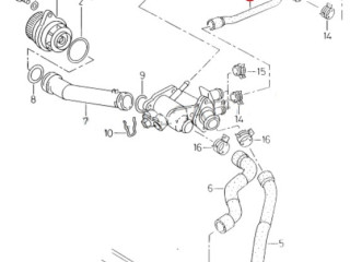
6K0121109 патрубок охлаждения


CARRO . Бизнес - (софт) программа для авторазборки
Отзывы о продавцах
SZ154
Ужасная кантора крайне не советую с ней работать!!!! Пишут что запчасти в отличном состояние в итоге прислали мне мусор! Менеджер в отв...
Viravto
Всё гуд
Авторазборка ДИАЛ
Выбор есть но цены в Минске дешевле
Autopriwos
Autopriwos
БигШрот
Даймлер
Разбила задний фонарь на 203. Приехала за фонарём, сразу его на месте и установили. Большое вам спасибо :)
Autopriwos
Есть почти все запчасти, найти можно практически все.
АвтоБрит-К
Цены ниже 30% процентов чем у конкурентов...
 
Не нашли необходимую запчасть в Грузии?
Мы подобрали для вас список запчастей, удовлетворяющих вашему запросу в других странах: Беларусь (carro.by), Кыргызстан (carro.kg), Казахстан (carrokz.com), Россия (carro.su)
2 часа назад
Патрубок системы охлаждения Seat Ibiza 6K 1996-2002
Артикул: 26367
0 GEL
Номера6K0121109
Тип КППМКПП
1.0- 1.4 AEX, AFH, AKV, AEE, APQ, ANX, AER.\n\nПрименяется: VW Polo Classic 1995-2002\nVW Caddy II 1995-2004\nSeat Ibiza II 1999-2002\nSeat Cordoba 1999-2002\nSeat Cordob...
Санкт-Петербург
Показать ещё
На странице 1 объяв. из 1


Рейтинг: 4.44 / Оценок: 227252